■ 空调系统群控系统Sequencer通过中央空调机组和外围设备的自动化控制达到节能,精确控制和操作维护的方便
■ 平衡各机组的运行时间,延长机组寿命
■ 具有对指定机组开启和关闭功能
■ 显示系统运行状态和主要参数
■ 具有强大的通讯功能
■ Sequencer可以提供下列协议来与BMS系统连接: ModBus / LonWorks / Bacnet
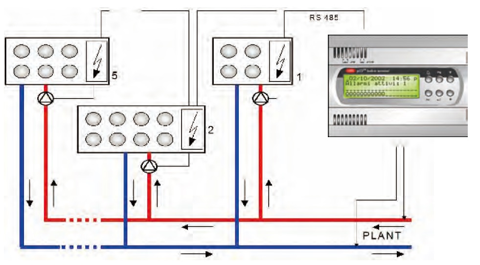
通过采用Sequencer空调机组集中的管理模块,配合设定节能要求实现多台机组台数和加卸载控制的优化运行,通过精密控制进一步提高系统能源的利用效率,轻易实现了空调机组系统的监控管理。
■ 空调系统群控系统Sequencer通过中央空调机组和外围设备的自动化控制达到节能,精确控制和操作维护的方便
■ 平衡各机组的运行时间,延长机组寿命
■ 具有对指定机组开启和关闭功能
■ 显示系统运行状态和主要参数
■ 具有强大的通讯功能
■ Sequencer可以提供下列协议来与BMS系统连接: ModBus / LonWorks / Bacnet
通过采用Sequencer空调机组集中的管理模块,配合设定节能要求实现多台机组台数和加卸载控制的优化运行,通过精密控制进一步提高系统能源的利用效率,轻易实现了空调机组系统的监控管理。
CSRAN 2442-HL-X 3台 CSRAN 0401-HL-X 1台 ERACS2401C-N-SL 2台 ERACS3622C-N-SL 9台 ERACS2401C-N-D-SL 1台 CSRAN2722-Q-B-Y 3台
ERACS3622E-N-B/S*4 TECS-W3252L/E*4
ERACS3602C-B 16台 AQS0352-B 4台 AQS0182-B 8台 AQS0804-N-B 2台 AQS0552-N-B 2台 AQS0604-ATW-LT 2台
ERACS2422E-Q-B*6 ERACS1702E-Q-B*1 ERACS2402E-Q-B*2 ERACS2622E-Q-B*5